探花退钱报警吓哭女孩观看,城中村找个气质不错的150,沈芯语mv免费观看电视剧大全

 
首页 >> 产品列表


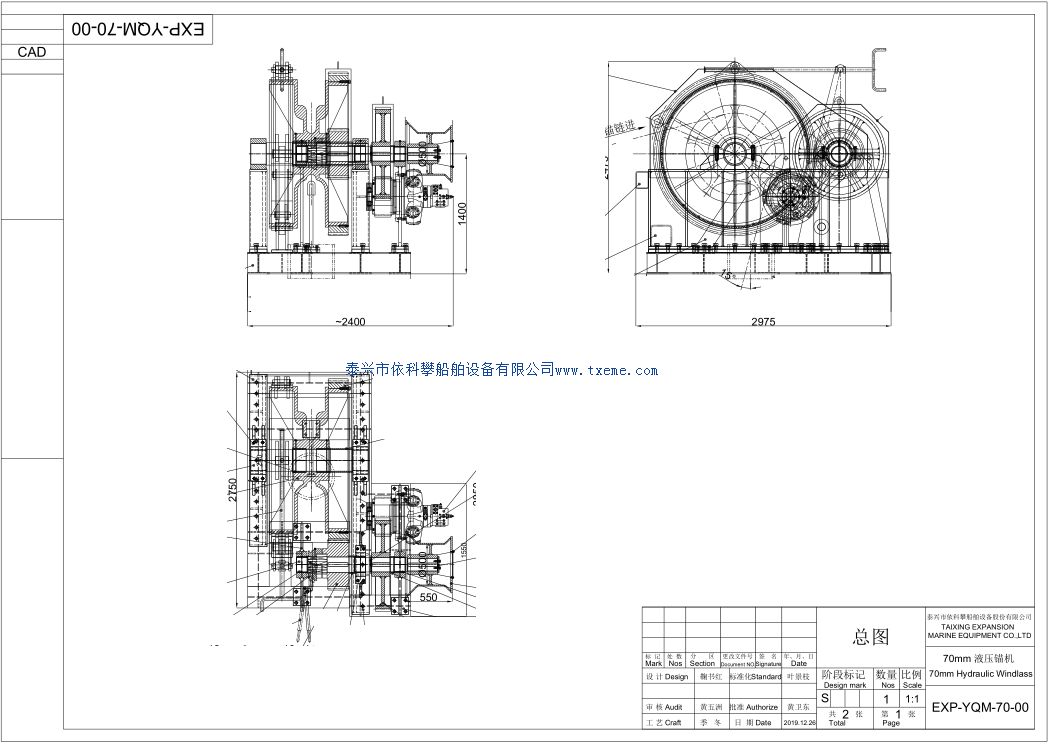
产品名称: 70mm液压锚机
产品介绍:

70mm液压起锚机

通过液压泵站和液压马达驱动的起锚机,液压起锚机启动平稳,不会对电力系统造成冲击。
液压起锚机通过液压比例阀可以实现无级变速。

技术参数:

1. 锚链轮部分
   锚链直径:Φ70mm(AM3)
   工作负载:232.75kN
   公称速度:≧9m/min
   最大抛锚深度:≤82.5m
   带式刹车:手动操作
   离合器:手动操作
2. 绞缆筒部分
   绞缆筒负载:120kN×17.5m/min
   绞缆筒空载速度:0-35m/min
   绳索直径:Φ30mm
 
 
型号
Model
锚链直径
Dia. of chain wheel
工作负载(kN
Working load
过载拉力(kN
Overload pulling force
支持负载(kN
Holding load
公称速度
Nominal speed
(m/min)
系缆负载(kN
Warping load
 
AM2
AM3
AM2
AM3
AM2
AM3
 
 
YMA-17.5
17.5
13
14.6
19.5
21.9
80
115
9
8
YMA-19
19
15.3
17.2
23.0
25.8
95
135
9
10
YMA-20
20
17.9
20.0
26.9
30.0
110
157
9
10
YMA-22
22
20.6
23.0
30.9
34.5
126
180
9
15
YMA-24
24
24.5
27.4
36.8
41.1
149
214
9
20
YMA-26
26
28.7
32.1
43.1
48.2
175
250
9
20
YMA-28
28
33.3
37.2
50.0
55.8
202
289
9
20
YMA-30
30
38.3
42.8
57.5
64.2
231
330
9
30
YMA-32
32
43.5
48.6
65.3
72.9
261
374
9
30
YMA-34
34
49.1
54.9
73.7
82..4
294
421
9
30
YMA-36
36
55.1
61.6
82.7
92.4
329
470
9
30
YMA-38
38
61.4
68.9
92.1
103.4
365
522
9
40
YMA-40
40
68.0
76.0
102.0
114.0
402
576
9
40
YMA-42
42
75.0
93.8
112.5
125.7
442
632
9
50
YMA-44
44
82.3
92.0
123.5
138.0
483
691
9
50
YMA-46
46
89.9
100.5
134.9
150.8
526
753
9
50
YMA-48
48
97.9
109.4
146.9
164.1
570
816
9
50
YMA-50
50
106.3
118.8
159.5
178.2
617
882
9
50
YMA-52
52
114.9
128.4
172.4
192.6
664
950
9
80
YMA-54
54
123.9
138.5
185.9
207.8
713
1021
9
80
YMA-56
56
133.3
149.0
200.0
223.5
764
1093
9
80
YMA-58
58
143.0
159.8
214.5
239.7
816
1168
9
80
YMA-60
60
153.0
171.0
229.5
256.5
870
1245
9
80
YMA-62
62
163.4
182.6
245.1
273.9
925
1324
9
100
YMA-64
64
174.1
194.6
261.2
291.9
982
1405
9
100
YMA-66
66
185.1
206.9
277.7
310.4
1040
1488
9
100
YMA-68
68
196.5
219.6
294.8
329.4
1098
1573
9
100
YMA-70
70
208.3
232.8
312.5
349.2
1160
1660
9
100
YMA-73
73
226.5
253.1
339.8
379.7
1254
1794
9
125
YMA-76
76
245.5
274.4
368.3
411.6
1350
1932
9
125
YMA-78
78
258.6
289.0
387.9
433.5
1416
2026
9
125

 

依科攀
主站蜘蛛池模板: 游戏| 阿坝| 贡嘎县| 赣州市| 龙井市| 黄骅市| 灵山县| 兴山县| 林州市| 鞍山市| 乌什县| 湘阴县| 冀州市| 武鸣县| 涞水县| 安溪县| 双桥区| 勃利县| 胶南市| 黑龙江省| 迁西县| 昌乐县| 财经| 武定县| 许昌市| 鄂伦春自治旗| 奎屯市| 龙川县| 德钦县| 松江区| 泗水县| 平和县| 长春市| 巴南区| 饶平县| 卓资县| 景洪市| 图片| 玉溪市| 吉林省| 老河口市|